(AFA - 2017)
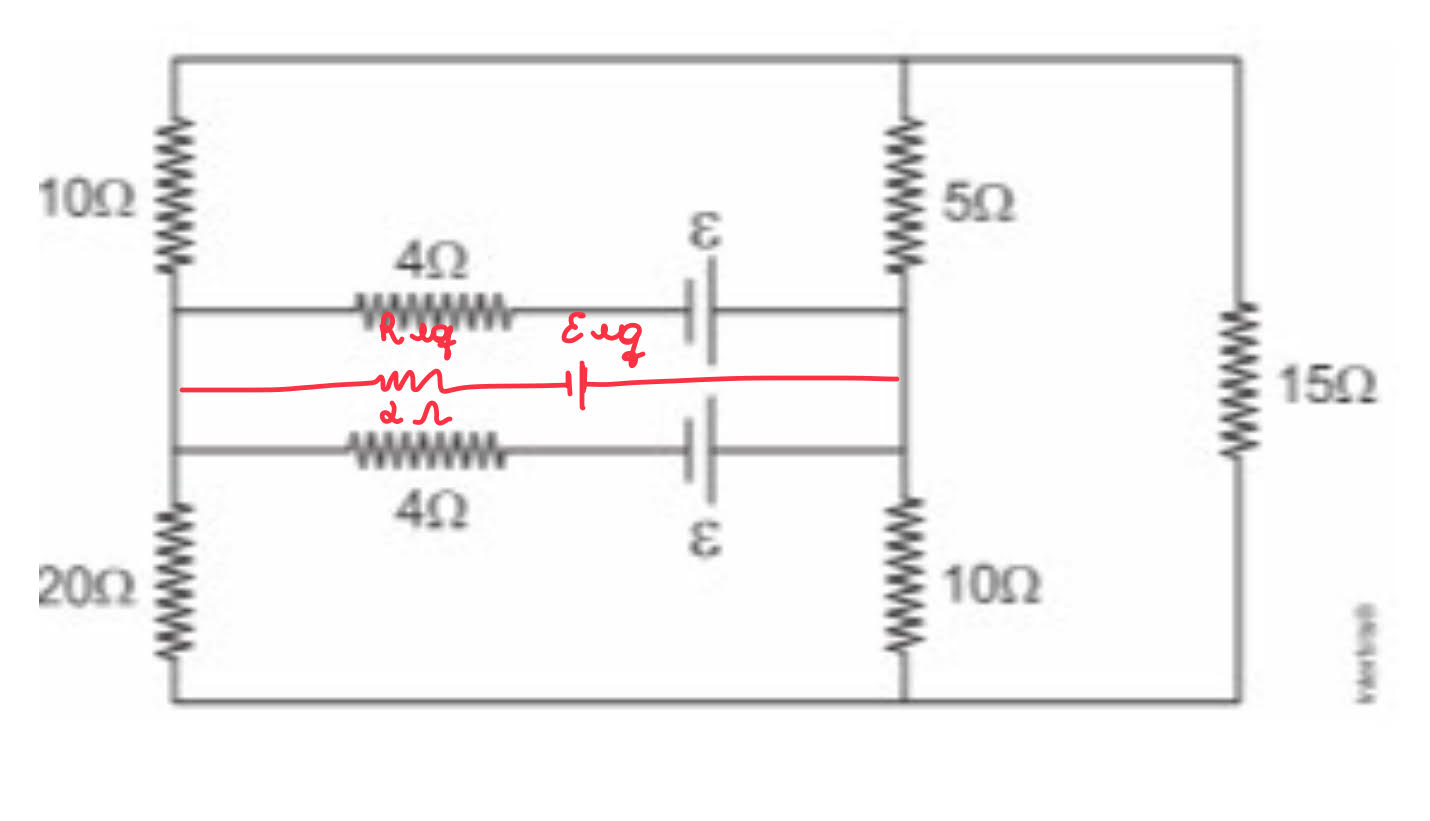
A figura a seguir representa um circuito elétrico constituído por duas baterias de resistências internas desprezíveis e sete resistores ôhmicos.
Sendo que a máxima potência dissipada em cada resistor não poderá ultrapassar 10 W, a fem máxima que as baterias poderão apresentar é, em V,
9
12
18
36
Gabarito:
18
Temos uma associação de geradores em paralelo, dessa forma podemos fazer a seguinte simplificação:
geradores em paralelo tem uma tensão equivalente é a própria tensão dos geradores, ou seja
Cada gerador tem um resistor interno, então a resistência equivalente da associação em paralelo é
Isso considerando que os dois geradores e as duas resistências têm os mesmos valores.
Dessa maneira, podemos considerar a seguinte situação:

Os resistores de e
estão em paralelo com os resistores de
e
, respectivamente, e os resistores de
e
estão em série, assim como os resistores de
e
.
Fazendo o cálculo das resistências em série, temos:
Para os resistores de e
:
Para os resistores de e
:
Essas duas resistências estão em paralelo. A tensão dessas resistências em paralelo são iguais, da seguinte maneira:
Isolando :
, vamos chamar
de
.
A corrente é a que passa no resistor de
, ou seja,
, e no resistor de
, passa uma corrente
. Dessa maneira, a fonte está fornecendo uma corrente de
.

Será necessário utilizar a Lei de Kirchhoff para saber a corrente que está passando no resistor de da direita:
a cada resistor, temos uma queda de tensão
Logo,não passa corrente pelo resistor de . Serão considerados somente os outros 6 resistores, onde:
Sabemos que a potência máxima de cada resistor é 10 w e que
A maior potência é a , assim:
Para encontrar o valor de , vamos utilizar a malha de cima, com o resistor de