Publicidade
Publicidade

Questão 1

IME 2009
Física

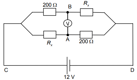
(IME - 2009/2010) Um dispositivo óptico de foco automático, composto por uma lente biconvexa delgada móvel, posiciona automaticamente a lente, de modo a obter no anteparo fixo a imagem focada do objeto, conforme apresentado na figura. Sobre esse dispositivo, instalou-se um circuito elétrico alimentado por 12 V, composto de dois resistores fixos de 200 Ω e dois resistores variáveis de 2,5 Ω/mm. Quando a distância entre o objeto e a lente é 1,2 m, a ddp no circuito entre os pontos A e B é zero. Determine a distância d entre o objeto e a lente do dispositivo para a ddp VB - VA, medida pelo voltímetro V, de 2,4 V.

Gabarito:

Resolução:

O circuito elétrico apresentado pode ser simplificado da seguitne maneira:

Na situação inicial, d = 1,2 m e Vab = 0, note que a associação de resistores corresponde à Ponte de Wheatstone em equilíbrio. Portanto:

R_X^2=200cdot 200 = 200 Omega

Sendo lx o comprimento do resistor variável, temos:

frac{R_X}{l_X}=2,5frac{Omega}{mm} 	herefore l_X = 80 mm

Na situação final: V_{BA}=V_B-V_A=2,4V (I)

Como a resistência total é R_{ramo}=R_X+200, submetidas a 12V, desse modo a corrente tem a mesma intensidade nos dois ramos. Assim:

i = frac{12}{R_X+200}(II)

Considerando cada queda de tensão nos ramos:

left{egin{matrix} V_C-V_B=200i\ V_C-V_A=R_Xi end{matrix}
ight. Rightarrow V_B-V_A=(R_X-200)i Rightarrow i=frac{2,4}{R_X-200}

Igualando com (II), encontra-se R_X= 300Omega

E o comprimento do resistor variável será:

l_{X2}=frac{300}{2,5}=120mm

Impondo as posições do objeto e também da imagem conjugada pela lente nessas situações:

frac{1}{f}=frac{1}{p_1}+frac{1}{p_1}=frac{1}{p_2}+frac{1}{p_2}\Rightarrow frac{1}{120}+frac{1}{8}=frac{1}{p_2}+frac{1}{12}\	herefore p_2=20cm

Questões relacionadas

Questão 9

(IME - 2009/2010) As situações 1 e 2 da figura apresentam uma caldeira que fornece vapor sob pressão a uma turbina, a fim de proporcionar a sua rotação. A turbina es...
Ver questão

Questão 16

(IME - 2009/2010)  A figura composta por dois materiais sólidos diferentes A e B, apresenta um processo de condução de calor, cujas temperaturas não variam com o te...
Ver questão

Questão 17

(IME - 2009/2010) A figura apresenta, esquematicamente, uma lente convergente de distância focal f posicionada no plano de transição entre o vácuo e um material de &iacut...
Ver questão

Questão 18

(IME - 2009/2010)   A figura mostra duas barras AC e BC que suportam, em equilíbrio, uma força F aplicada no ponto C. Para que os esforços nas barras AC e BC sejam, respect...
Ver questão
Publicidade