(AFA - 2013) No circuito elétrico esquematizado abaixo, a leitura no amperímetro A não se altera quando as chaves C1 e C2 são simultaneamente fechadas.
Considerando que a fonte de tensão ε, o amperímetro e os fios de ligação são ideais e os
resistores ôhmicos, o valor de R é igual a:
Gabarito:
600 Ω
Resolução:
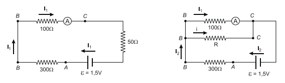
As imagens abaixo mostram as situações simplificadas com as chaves abertas e fechadas, respectivamente.

Vamos utilizar a Lei de Ohm-Pouillet para calcular a corrente (leitura do amperímetro) no circuito da primeira imagem:
A diferença de potencial entre os pontos B e C () é:
Substituindo :
Quando as chaves são fechadas, a resistência de fica em curto-circuito, podendo ser descartada, de acordo com a segunda imagem. Como a leitura do amperímetro não se altera, a corrente no resistor de
continua sendo
e a tensão entre os pontos B e C, também não se altera, então:
O somatório das tensões entre os pontos A e C é igual à força eletromotriz da bateria, assim, podemos calcular a corrente :
Pela lei dos nós:
Para o resistor de resistência R:
Resolução dos oficiais da resolução:
• Antes do fechamento das chaves

• Depois do fechamento das chaves:
A resistência de 50 Ω fica em curto-circuito e não funciona
