Publicidade
Publicidade

Questão 6

IME 2015
Física

[IME- 2015/2016 - 2ª fase]

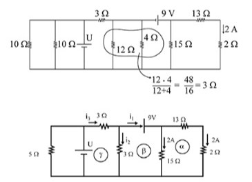
Um circuito elétrico tem uma resistência de 2 Ω ligada entre seus terminais A e B. Essa resistência é usada para aquecer o Corpo I durante 21 minutos, conforme apresentado na Figura 1. Após ser aquecido, o Corpo I é colocado em contato com o Corpo II e a temperatura se estabiliza em 50o C, conforme apresentado na figura 2. Determine o valor da fonte de tensão U.

Dados:

• massa do Corpo I: 0,4 kg;

• massa do Corpo II: 1,0 kg;

• calor específico dos Corpos I e II: 0,075 kcal/kg oC;

• temperatura inicial do Corpo I: 20o C;

• temperatura inicial do Corpo II: 30o C.

Considerações:

• 1 cal = 4,2 J;

• não há perda de calor no sistema.

 

Gabarito:

Resolução:

Q_{1}+Q_{2}=0Rightarrow (mcDelta T)_{1}+(mcDelta T)_{2}=0Rightarrow 0,4.
ot{c}.(50-T)+1.
ot{c}.(50-30=0)Rightarrow 20-0,4T+20=0Rightarrow40=0,4T Rightarrow 

T=100°C (Temperatura do corpo 1 após o aquecimento pelo resistor)

E=Q Rightarrow R.i^{2}.Delta t=mc Delta T
ightarrow 2.i^{2}.21.60=400.0,075.4,2.(100-20) Rightarrow i=sqrt{4}

i=2A (corrente no resistor R = 2Omega

Na malha alpha: dois resistores de 15 Omega estão em paralelo, portanto as correntes são iguais. 

Na malha eta: 15 . 2 = 3 . i_{2} + 9

i_{2}=frac{21}{3}
ightarrow i_{2}= 7A

i_{1}=2+2 
ightarrow 4A

Na malha gammai_{3} = i_1 + i_2

i_{3}=4+7 
ightarrow 11A

U=3.i_{3}+3.i_{2}
ightarrow 3.11+3.7

U=54V

 

Questões relacionadas

Questão 16

[IME-2015 / 2016 - 1 fase] Um corpo de carga positiva, inicialmente em repouso sobre uma rampa plana isolante com atrito, está apoiado em uma mola, comprimindo-a. Após ser liberado, o...
Ver questão

Questão 17

[IME-2015 / 2016 - 1 fase] Uma partícula de massa m e carga + Q encontra-se confinada no plano XY entre duas lâminas infinitas de vidro, movimentando-se sem atrito com vetor veloc...
Ver questão

Questão 18

[IME-2015 / 2016 - 1 fase] A figura acima, cujas cotas estão em metros, exibe uma estrutura em equilíbrio formada por três barras rotuladas AB, BC e CD. Nos pontos B e C ex...
Ver questão

Questão 19

[IME-2015 / 2016 - 1 fase] Uma fonte sonora está situada no ponto de coordenadas x = 0 m e y = 0 m e outra no ponto de coordenadas x = 0 m e y = 4 m. As ondas produzidas pelas duas fontes...
Ver questão
Publicidade