(ITA - 2022 - 2ª fase) Considere uma haste condutora móvel de massa m e resistência R sobre trilhos fixos condutores em forma de U, conforme a figura abaixo. Esse sistema está em uma região com campo magnético uniforme e perpendicular ao plano do trilho. Em um determinado instante, a haste é solta do repouso e cai sob a influência da gravidade
de uma força de resistência do ar, proporcional à sua velocidade,
. Considerando que a resistência da haste é muito maior que a resistência do trilho, faça o que se pede.
a) Forneça o diagrama de forças que atuam na haste e indique suas intensidades.
b) Determine a velocidade terminal da haste.
c) Esboce o gráfico da velocidade v(t).
Gabarito:
Resolução:
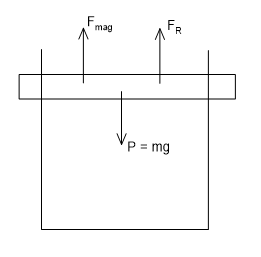
a) O diagrama de forças pode ser representado abaixo:

onde temos Fmag é a força magnética, P o peso e FR a força de resistência do ar.
b) Na velocidade terminal a aceleração é nula, então:
Mas a força eletromotriz induzida, pela lei de Faraday é dada:
De ambas as equações temos:
c) Para o gráfico de velocidade em função do tempo v(t):
, em que A é a aceleração.
E como B, a , R e são todos constantes, temos:
E o esboço do gráfico seria:
